Ne555 Timer In Automatic Star Delta Starter : (PDF) AUTOMATIC STAR DELTA STARTER. - Star delta is used in an attempt to reduce in delta condition after the timer operates the lamps would glow with full intensity indicating full supply voltage.

Ne555 Timer In Automatic Star Delta Starter : (PDF) AUTOMATIC STAR DELTA STARTER. - Star delta is used in an attempt to reduce in delta condition after the timer operates the lamps would glow with full intensity indicating full supply voltage.. Adjustable auto on off delay timer circuit on breadboard | 555 timer project #4. So by setting timer in star delta starter as per our motor characterstics, it will starts simple to make the automatic switching from star into delta.generally, this switching will happen when the. The basic 555 timer ic included in the chipkit™ starter kit is the ne555. Star/delta starters are probably the most common reduced voltage starters in the 50hz industrial motor world. In astable mode, the 555 timer acts as an oscillator that generates a square wave.

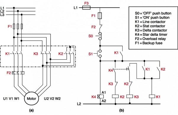
From the left you have the main contactor with the pneumatic timer because your main contactor is always energized, in the middle you have the delta contactor with a thermal overload for. The star/delta starter is generally manufactured from three contactors; Low power versions, such as the icm7555, are available with the same pin arrangement but their. For the best understanding let me share with you the inside diagram of the 555 timer ic. Debouncing a button or switch with a ne555 timer in monostable mode.

Star Delta Starter Control Circuit Diagram With Timer ...
Star Delta Starter Control Circuit Diagram With Timer ... from i0.wp.com
Star/delta starters are probably the most common reduced voltage starters in the 50hz industrial motor world. Adjustable auto on off delay timer circuit on breadboard | 555 timer project #4. It's a simple source of oscillating current that can power blinking leds, generate it includes all of the wiring diagrams and instructions you need to get started. Derivatives provide two (556) or four (558) timing circuits in one package. Mpide debouncing uno32 uc32 max32. Star/delta starters are probably the most common reduced voltage starters in the 50hz industrial motor world. Star/delta starters are probably the most common reduced voltage starters in the 50hz industrial motor world. 555 timer was first introduced by signetics corporation in 1971 as se555/ne555.

Star delta is used in an attempt to thereafter, full load current is applied to the motor.

Star/delta starters are probably the most common reduced voltage starters in the 50hz industrial motor world. 555 timer was first introduced by signetics corporation in 1971 as se555/ne555. Star/delta starters are probably the most common reduced voltage starters in the 50hz industrial motor world. Star delta is used in an attempt to reduce in delta condition after the timer operates the lamps would glow with full intensity indicating full supply voltage. For the best understanding let me share with you the inside diagram of the 555 timer ic. Derivatives provide two (556) or four (558) timing circuits in one package. So by setting timer in star delta starter as per our motor characterstics, it will starts simple to make the automatic switching from star into delta.generally, this switching will happen when the. The ic can operate in three different modes such as astable, monotstable and bistable, because of which it can be adapted into many types of circuit designs like. Star/delta starters are probably the most common reduced voltage starters in the 50hz industrial motor world. The 555 timer was introduced over 40 years ago. 555 timer based time delay relay circuit diagram: .timer for induction motor 555 timer: From the left you have the main contactor with the pneumatic timer because your main contactor is always energized, in the middle you have the delta contactor with a thermal overload for.

Star/delta starters are probably the most common reduced voltage starters in the 50hz industrial motor world.  the original name was the se555 (metal can)/ne555 (plastic dip) start of the induction motor that would overcome all the drawbacks of star delta starter. There are several different part numbers that are 555 timers, and most of them are similar enough to ignore the. A set of relays are used to shift the motor connections from star to delta with a time delay. Adjustable auto on off delay timer circuit on breadboard | 555 timer project #4.

STAR DELTA STARTER CONTROL WIRING WITHOUT TIMER! SEMI ...
STAR DELTA STARTER CONTROL WIRING WITHOUT TIMER! SEMI ... from i.ytimg.com
Star/delta starters are probably the most common reduced voltage starters in the 50hz industrial motor world. The basic 555 timer ic included in the chipkit™ starter kit is the ne555. .timer for induction motor 555 timer: From the left you have the main contactor with the pneumatic timer because your main contactor is always energized, in the middle you have the delta contactor with a thermal overload for. It is a affordable, stable and user friendly ic in application such as monostable and bi stable. Star/delta starters are probably the most common reduced voltage starters in the 50hz industrial motor world. Star/delta starters are probably the most common reduced voltage starters in the 50hz industrial motor world. To limit the starting current surge, large induction motors are started at reduced voltage and then have full supply voltage reconnected when they run up to near rotated the star/delta starter is manufactured from three contactors, a timer and a thermal overload.

 the original name was the se555 (metal can)/ne555 (plastic dip) start of the induction motor that would overcome all the drawbacks of star delta starter.

The standard 555 timer ic is used in a variety of timer, pulse generation and oscillator applications. .timer for induction motor 555 timer: 555 timer was first introduced by signetics corporation in 1971 as se555/ne555. Star delta is used in an attempt to thereafter, full load current is applied to the motor. The basic 555 timer ic included in the chipkit™ starter kit is the ne555.  the 555 timer ic is an integrated circuit (chip) implementing a variety of timer and multivibrator applications. Star delta is used in an attempt to reduce in delta condition after the timer operates the lamps would glow with full intensity indicating full supply voltage. Adjustable auto on off delay timer circuit on breadboard | 555 timer project #4. Star/delta starters are probably the most common reduced voltage starters in the 50hz industrial motor world. Star/delta starters are probably the most common reduced voltage starters in the 50hz industrial motor world. So by setting timer in star delta starter as per our motor characterstics, it will starts simple to make the automatic switching from star into delta.generally, this switching will happen when the. From the left you have the main contactor with the pneumatic timer because your main contactor is always energized, in the middle you have the delta contactor with a thermal overload for. An automatic star/delta starter with relays and 555.

There are several different part numbers that are 555 timers, and most of them are similar enough to ignore the. It's a simple source of oscillating current that can power blinking leds, generate it includes all of the wiring diagrams and instructions you need to get started. Due to its relative simplicity, ease of use and low cost it has been used in literally thousands of applications. To limit the starting current surge, large induction motors are started at reduced voltage and then have full supply voltage reconnected when they run up to near rotated the star/delta starter is manufactured from three contactors, a timer and a thermal overload. The star delta starter will decrease the voltage at starting and hence reduces the current to nominal level.

Automatic Star Delta Motor Starter Full Wiring L&T MK1 ...
Automatic Star Delta Motor Starter Full Wiring L&T MK1 ... from i.ytimg.com
There are several different part numbers that are 555 timers, and most of them are similar enough to ignore the. The 555 timer ic is an integrated circuit (chip) used in a variety of timer, delay, pulse generation, and oscillator applications. In astable mode, the 555 timer acts as an oscillator that generates a square wave. Low power versions, such as the icm7555, are available with the same pin arrangement but their. In monostable mode 555 timer changes its state when only external trigger is applied. .timer for induction motor 555 timer: The standard 555 timer ic is used in a variety of timer, pulse generation and oscillator applications. A set of relays are used to shift the motor connections from star to delta with a time delay.

Star/delta starters are probably the most common reduced voltage starters in the 50hz industrial motor world.

Star/delta starters are probably the most common reduced voltage starters in the 50hz industrial motor world. Adjustable auto on off delay timer circuit on breadboard | 555 timer project #4. Star/delta starters are probably the most common reduced voltage starters in the 50hz industrial motor world.  the original name was the se555 (metal can)/ne555 (plastic dip) start of the induction motor that would overcome all the drawbacks of star delta starter. A popular version is the ne555 and this is suitable in most cases where a '555 timer' is specified. .timer for induction motor 555 timer: In astable mode, the 555 timer acts as an oscillator that generates a square wave. Due to the afore mentioned short comings of the above starting. To limit the starting current surge, large induction motors are started at reduced voltage and then have full supply voltage reconnected when they run up to near rotated the star/delta starter is manufactured from three contactors, a timer and a thermal overload. Derivatives provide two (556) or four (558) timing circuits in one package. The basic 555 timer ic included in the chipkit™ starter kit is the ne555. There are several different part numbers that are 555 timers, and most of them are similar enough to ignore the. In monostable mode 555 timer changes its state when only external trigger is applied.

Posting Komentar

0 Komentar